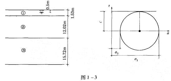
某基坑的地基土层分布如图1-3所示,地下水位在地表以下0.5m。其中第①、②层的天然重度γ=19kN/m3,第③层淤泥质土的天然重度为17. 1kN/m3...

作者: tihaiku 人气: - 评论: 0
问题 某基坑的地基土层分布如图1-3所示,地下水位在地表以下0.5m。其中第①、②层的天然重度γ=19kN/m3,第③层淤泥质土的天然重度为17. 1kN/m3,三轴固结不排水强度指标为:ccu=17.8kPa,φcu=13.2°。如在第③层上部取土样,在其有效自重压力下固结(固结时各向等压的主应力σ3=68kPa)以后进行不固结不排水三轴试验(UU), 试问其cu最接近于下列哪个选项的数值?( ) A. 18kPa B. 29kPa C. 42kPa D. 77kPa
选项
答案 C
解析

相关内容:基坑,地基,土层,如图,1-3所示,地下,水位,地表,天然,淤泥,质土

猜你喜欢

发表评论
更多 网友评论0 条评论)
暂无评论

访问排行

Copyright © 2012-2014 恰考网 Inc. 保留所有权利。 Powered by tikuer.com

页面耗时0.0362秒, 内存占用1.05 MB, Cache:redis,访问数据库19次