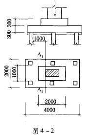
柱下桩基承台,如图4-2所示,承台混凝土轴心抗拉强度设计值f1 = 1.71MPa,试按 《建筑桩基技术规范》(JGJ 94-2008),计算承台柱边A1...

作者: tihaiku 人气: - 评论: 0
问题 柱下桩基承台,如图4-2所示,承台混凝土轴心抗拉强度设计值f1 = 1.71MPa,试按 《建筑桩基技术规范》(JGJ 94-2008),计算承台柱边A1—A1斜截面的受剪承载力,其值与下列何项数值最为接近?(图中尺寸单位为mm)( ) A. 1.00MN B. 1.21MN C. 1.53MN D. 2.04MN
选项
答案 A
解析

相关内容:柱下,桩基,如图,4-2所示,混凝土,轴心,抗拉,强度,设计,1.71MPa,试按,建筑桩基技术规范,94-2008,台柱

猜你喜欢

发表评论
更多 网友评论0 条评论)
暂无评论

访问排行

Copyright © 2012-2014 恰考网 Inc. 保留所有权利。 Powered by tikuer.com

页面耗时0.0509秒, 内存占用1.04 MB, Cache:redis,访问数据库17次