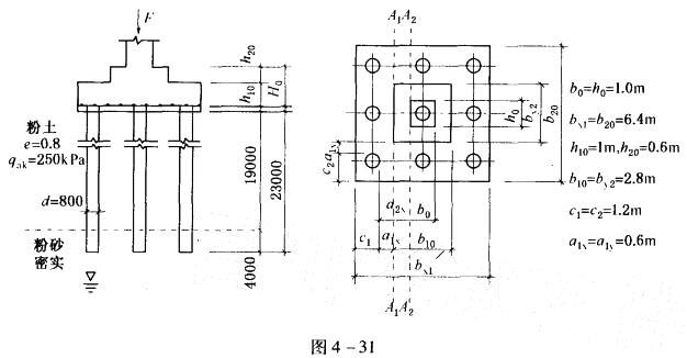
如图4-31所示,柱底轴向荷载F= 26500kN,重要性系数y0=1,承台采用C35混凝土 (轴心抗拉设计值为ft= 1. 57MPa)。根据《建筑桩基...

作者: tihaiku 人气: - 评论: 0
问题 如图4-31所示,柱底轴向荷载F= 26500kN,重要性系数y0=1,承台采用C35混凝土 (轴心抗拉设计值为ft= 1. 57MPa)。根据《建筑桩基技术规范》(JGJ 94—2008)验算承台A1—A1和A2—A2处斜截面的受剪承载力,其结果(验算式左右两端数值)与( )组数据接近。 A. 15910kN>V1=7762kN; 14816kN>V2=7562kN B. 16820kN>V1=7820kN; 14700kN>V2=7820kN C. 15900kN>V1=7982kN; 14850kN>V2=7162kN D. 10399kN>V1=8833kN; 9634kN>V2=8833kN
选项
答案 D
解析 根据《建筑桩基技术规范》(JGJ 94-2008)第5. 9. 10条,斜截面受剪承载力计算公式为: V≤βhsαftb0h0 计算步骤如下: A1—A1斜截面受剪承载力计算如下:

相关内容:如图,4-31所示,柱底,荷载,26500kN,重要性,系数,混凝土,轴心,抗拉,设计,根据,建筑,桩基

猜你喜欢

发表评论
更多 网友评论0 条评论)
暂无评论

访问排行

Copyright © 2012-2014 恰考网 Inc. 保留所有权利。 Powered by tikuer.com

页面耗时0.0415秒, 内存占用1.05 MB, Cache:redis,访问数据库19次