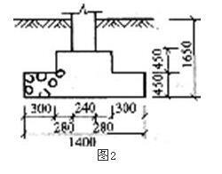
墙下条形基础如图2所示。在±0.00标高处的轴力标准值F=400kN/m,埋深2.65m,室内外高差0.45m,修正后的地基承载力特征值fa=160kN/...

作者: tihaiku 人气: - 评论: 0
问题 墙下条形基础如图2所示。在±0.00标高处的轴力标准值F=400kN/m,埋深2.65m,室内外高差0.45m,修正后的地基承载力特征值fa=160kN/m2,基础底部采用混凝土基础,H0=300mm,其上采用毛石混凝土基础,墙身厚360mm,则毛石混凝土高度至少应为(  )m。
选项 A.1.74 B.1.84 C.1.94 D.2.04
答案 B
解析 基础宽度:

相关内容:条形,基础,如图,2所示,高处,轴力,标准值,埋深,室内外,高差,地基,承载力,特征值

猜你喜欢

发表评论
更多 网友评论0 条评论)
暂无评论

访问排行

Copyright © 2012-2014 恰考网 Inc. 保留所有权利。 Powered by tikuer.com

页面耗时0.0511秒, 内存占用1.05 MB, Cache:redis,访问数据库20次