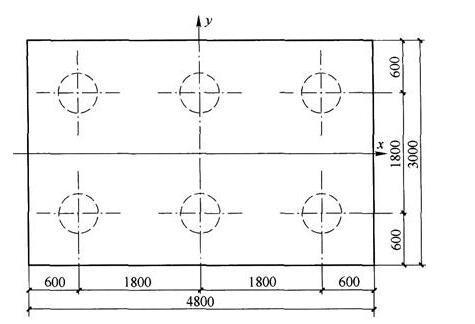
某一桩基传至柱底(标高-0.5m处)长期效应组合的荷载值为F=9000kN,M=1800kN·m,H=800kN,其它数根据如图4所示,建筑安全等级为一级...

作者: tihaiku 人气: - 评论: 0
问题 某一桩基传至柱底(标高-0.5m处)长期效应组合的荷载值为F=9000kN,M=1800kN·m,H=800kN,其它数根据如图4所示,建筑安全等级为一级,采用桩径为500mm×500mm的混凝土预制桩,试按《建筑桩基技术规范》(JGJ 94—2008)规定的方法计算该桩基础的沉降量。桩基的最终沉降量计算结果与下列(  )mm接近。
选项 A.12 B.24 C.36 D.48
答案 C
解析 ①桩端处附加应力 ②确定桩基沉降计算深度zn 按应力比法确定,初取zn=8m,由L/b=5.5/4=1.375,z/b=8/2=4,按点法计算σz: 由JGJ 94—2008表D.0.1-1得:α=0.0355 σz=40αp0=4×0.0355×412=58.5kPa σcz=18×1.5+18.5×6+9×7+9.5×7+6×4=291.5kPa σz/σcz=58.5/291.5=0.2≤0.2,符合要求。

相关内容:桩基,柱底,标高,效应,组合,荷载,9000kN,1800kN,根据,如图,4所示,建筑,等级

猜你喜欢

发表评论
更多 网友评论0 条评论)
暂无评论

访问排行

Copyright © 2012-2014 恰考网 Inc. 保留所有权利。 Powered by tikuer.com

页面耗时0.0438秒, 内存占用1.05 MB, Cache:redis,访问数据库20次