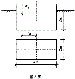
已知基础底面尺寸为4m×2m,在基础顶面受偏心荷载500kN,偏心距1.0m,基础容重为20kN/m3,基础埋深2m,如下图,则基底边缘最大压力为( ...

作者: tihaiku 人气: - 评论: 0
问题 已知基础底面尺寸为4m×2m,在基础顶面受偏心荷载500kN,偏心距1.0m,基础容重为20kN/m3,基础埋深2m,如下图,则基底边缘最大压力为( )kPa。
选项 A 239.77 B 146.20 C 119.88 D 196.60
答案 D
解析

相关内容:基础,底面,尺寸,顶面,荷载,容重,埋深,下图,基底,边缘,压力

猜你喜欢

发表评论
更多 网友评论0 条评论)
暂无评论

访问排行

Copyright © 2012-2014 恰考网 Inc. 保留所有权利。 Powered by tikuer.com

页面耗时0.0277秒, 内存占用1.04 MB, Cache:redis,访问数据库18次