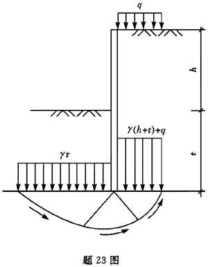
当基坑土层为软土时,应验算坑底土抗隆起稳定性。如图,已知基坑开挖深度A= 5m,基坑宽度较大,深宽比略而不计。支护结构入土深度t=5m,坑侧地面荷载q=2...

作者: tihaiku 人气: - 评论: 0
问题 当基坑土层为软土时,应验算坑底土抗隆起稳定性。如图,已知基坑开挖深度A= 5m,基坑宽度较大,深宽比略而不计。支护结构入土深度t=5m,坑侧地面荷载q=20kPa,土的重度γ=18kN/m3,黏聚力为10kPa,内摩擦角φ=10°,不考虑地下水的影响。如果取承载力系数Nc=5.14,Nq=1.0,则抗隆起的安全系数F满足的关系式为( )。
选项 AF<1.0 B1.0≤F<1.6 CF≥1.6 D条件不够,无法计算
答案 A
解析 据《建筑地基基础设计规范》(GB 50007—2002)附录V计算

相关内容:基坑,土层,软土,验算,底土,隆起,稳定性,如图,开挖,深度,宽度,深宽,比略,支护,结构,入土,坑侧,地面,荷载

猜你喜欢

发表评论
更多 网友评论0 条评论)
暂无评论

访问排行

Copyright © 2012-2014 恰考网 Inc. 保留所有权利。 Powered by tikuer.com

页面耗时0.0424秒, 内存占用1.04 MB, Cache:redis,访问数据库15次