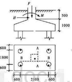
某500mm×500mm方柱下设4根桩,桩的平面布置及承台尺寸如图所示。相应于荷载效应基本组合时作用于承台顶面的荷载为 F=2000kN M=200 ...

作者: tihaiku 人气: - 评论: 0
问题 某500mm×500mm方柱下设4根桩,桩的平面布置及承台尺寸如图所示。相应于荷载效应基本组合时作用于承台顶面的荷载为 F=2000kN M=200 k·m H=100kN按《建筑地基基础设计规范》(GB 50007—2002)确定作用在承台A-A及B-B截面上的弯矩,其值分别为( )。
选项 A.914kN·m,680kN·m B.914kN·m,650kN·m C.900kN·m,680kN·m D.900kN·m,650kN·m
答案 B
解析 作用在A-A截面上的弯矩为 MA=571.43×(1.05-0.25)×2=914.3kN·m 作用在B-B截面上的弯矩为 MB=(57143+428.57)×(0.9-0.25)=650kN·m

相关内容:方柱,4根桩,平面,尺寸,如图,应于,荷载,效应,合时,2000kN

猜你喜欢

发表评论
更多 网友评论0 条评论)
暂无评论

访问排行

Copyright © 2012-2014 恰考网 Inc. 保留所有权利。 Powered by tikuer.com

页面耗时0.0509秒, 内存占用1.05 MB, Cache:redis,访问数据库20次