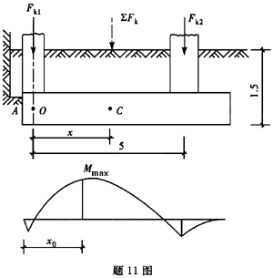
某柱下联合基础,作用在柱上的荷载效应标准值Fk1=1000kN,Fk2=1500kN,地基承载力特征值fa=190kPa,柱尺寸0.3m×0.3m,如图所...

作者: tihaiku 人气: - 评论: 0
问题 某柱下联合基础,作用在柱上的荷载效应标准值Fk1=1000kN,Fk2=1500kN,地基承载力特征值fa=190kPa,柱尺寸0.3m×0.3m,如图所示。则基础的尺寸和基础截面最大负弯矩分别为( )。 A6.3m×2.5m,-1498.5kN B6.3m×2.5m,-1562.5kN C5.0m×2.5m,-1498.5kN D5.0m×2.5m,-1562.5kN
选项
答案 A
解析 求Fk1和Fk2的合力作用点C与O点的距离x (1000+1500)x=1500×5 为使基底反力均匀分布,合力作用点应通过基础中心,基础长度 ι=2×(3+0.15)=6.3m 基础宽度 基础尺寸为 长×宽=6.3m×2.5m 基础纵向海米净反力 设最大负弯矩截面与A点距离为x0,该截面剪力为0 535.7x0-1000×1.35=0 x0=2.52m 最大负弯矩

相关内容:某柱下,基础,荷载,效应,标准值,1000kN,1500kN,地基,承载力,特征值,190kPa,尺寸,如图

猜你喜欢

发表评论
更多 网友评论0 条评论)
暂无评论

访问排行

Copyright © 2012-2014 恰考网 Inc. 保留所有权利。 Powered by tikuer.com

页面耗时0.0513秒, 内存占用1.04 MB, Cache:redis,访问数据库17次