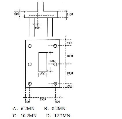
柱下桩基如图:承台混凝土抗压强度fe = 19.1MPa;按《建筑粧基技术规范》(JGJ 94-94)计算承台长边受剪承载力,其值与()最接近。

作者: tihaiku 人气: - 评论: 0
问题 柱下桩基如图:承台混凝土抗压强度fe = 19.1MPa;按《建筑粧基技术规范》(JGJ 94-94)计算承台长边受剪承载力,其值与()最接近。
选项
答案 D
解析

相关内容:柱下,桩基,如图,混凝土,强度,19.1MPa,建筑粧基技术规范,台长,边受,承载力,其值

猜你喜欢

发表评论
更多 网友评论0 条评论)
暂无评论

访问排行

Copyright © 2012-2014 恰考网 Inc. 保留所有权利。 Powered by tikuer.com

页面耗时0.0390秒, 内存占用1.04 MB, Cache:redis,访问数据库19次