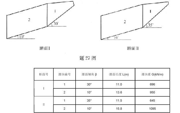
根据勘察资料,某滑坡体正好处于极限平衡状态,稳定系数为1.0,其两组具有代表性的断面数据如下: 试用反分析法求得滑动面的黏聚力c和内摩擦角甲最接近下...

作者: tihaiku 人气: - 评论: 0
问题 根据勘察资料,某滑坡体正好处于极限平衡状态,稳定系数为1.0,其两组具有代表性的断面数据如下: 试用反分析法求得滑动面的黏聚力c和内摩擦角甲最接近下列()组数值。(计算方法采用下滑力和抗滑力水平分力平衡法) A.c=8.0kPa;φ=14°B.c=8.0kPa;φ=11° C.c=6.0kPa;φ=11°D.c=6.0kPa;φ=14°
选项
答案 B
解析

相关内容:根据,勘察,资料,滑坡体,极限,状态,系数,两组,代表,断面,数据,如下,分析法,滑动,黏聚,角甲

猜你喜欢

发表评论
更多 网友评论0 条评论)
暂无评论

访问排行

Copyright © 2012-2014 恰考网 Inc. 保留所有权利。 Powered by tikuer.com

页面耗时0.0337秒, 内存占用1.05 MB, Cache:redis,访问数据库20次