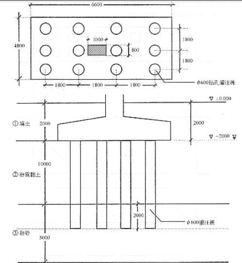
某桩基工程安全等级为二级,其桩型平面布置、剖面及地层分布如图所示,土层物理力学指标见表,按《建筑桩基技术规范》(JGJ 94-94)计算群桩呈整体破坏与非...

作者: tihaiku 人气: - 评论: 0
问题 某桩基工程安全等级为二级,其桩型平面布置、剖面及地层分布如图所示,土层物理力学指标见表,按《建筑桩基技术规范》(JGJ 94-94)计算群桩呈整体破坏与非整体破坏的基粧的抗拔极限承载力标准值比值(Ugk/Uk),其计算结果最接近下列哪个选项?()
选项
答案 A
解析

相关内容:桩基,工程,等级,其桩型,平面,剖面,地层,如图,土层,物理,力学,指标,建筑桩基技术规范,群桩,整体

猜你喜欢

发表评论
更多 网友评论0 条评论)
暂无评论

访问排行

Copyright © 2012-2014 恰考网 Inc. 保留所有权利。 Powered by tikuer.com

页面耗时0.0712秒, 内存占用1.04 MB, Cache:redis,访问数据库19次