工程建设项目采用EPC承包方式时,EPC总承包商一般应在()完成后介入项目。[2010年真题]A:技术设计 B:方案设计 C:初步设计 D:施工图设计

作者: tihaiku 人气: - 评论: 0
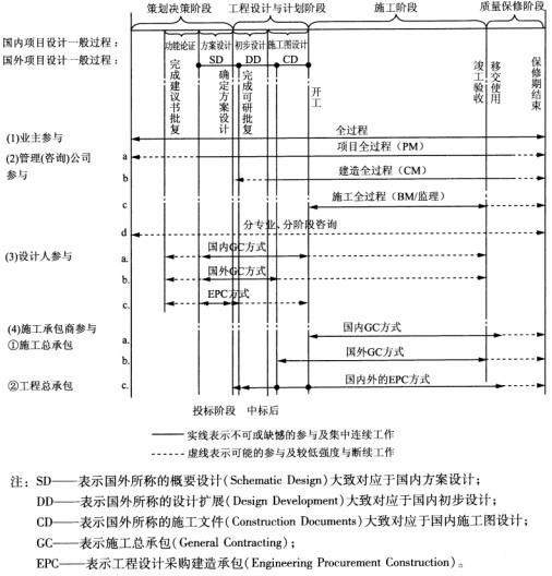
问题 工程建设项目采用EPC承包方式时,EPC总承包商一般应在()完成后介入项目。[2010年真题]
选项 A:技术设计 B:方案设计 C:初步设计 D:施工图设计
答案 B
解析 工程建设项目的参与方介入工程建设项目的时间与周期具有各自的规律性,招标师在进行工程建设项目招标采购时必须遵从这些规律,具体如图所示。

EPC模式下,施工总承包方是在确定方案设计后介入项目的。

相关内容:工程,建设项目,方式,承包商,项目,2010年,真题,技术,设计,方案设计,施工图

猜你喜欢

发表评论
更多 网友评论0 条评论)
暂无评论

访问排行

Copyright © 2012-2014 恰考网 Inc. 保留所有权利。 Powered by tikuer.com

页面耗时0.0310秒, 内存占用1.04 MB, Cache:redis,访问数据库18次