现有A、B两台单相变压器,均为U1N/U2N = 220/110V,两变压器原、副边绕组匝数分别 相等,假定磁路均不饱和,如果两台变压器原边分别接到220...
相关内容:现有,变压器,副边,绕组,假定,磁路,不饱和,原边,220...
- 不直接和发电机相连的变压器一次绕组的额定电压()。
(A)等于相连线路的额定电压 (B)比相连线路的额定电压髙5%
(C)比相连线路的额定电压高10%...
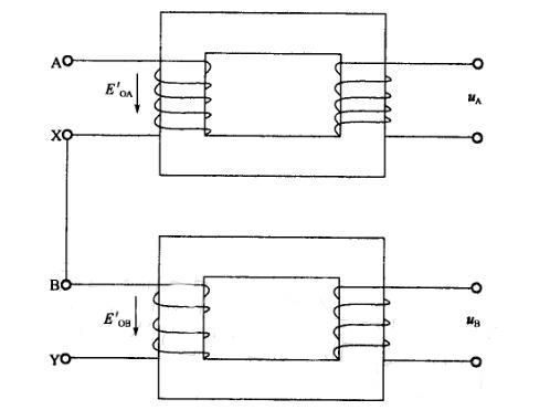
- 上题图为一台单相变压器示意图,其额定电压U1N/U2N=220/110V。现将X与a两端用导线连接,在A、x之间加电压U=330V,则变压器的主磁通与空载...
- 下列说法正确的是()。
(A)运行中改变普通变压器分接头的位置不会影响供电的连续性
(B)有载调压变压器不可以在带负荷的条件下切换分接头
(C)与普...
- 某双绕组变压器的额定容量为15000kVA,额定变比为121/10.5kV,△P0=20
- 变压器励磁电阻Rm的物理意义是反映变压器()的一个等效电阻。
(A)总损耗 (B)短路损耗 (C)铁芯损耗 (D)二次绕组损耗
- 变压器空载合闸时不产生冲击电流的电压初相角α0为()。
(A)0 (B)π/6 (C)π/3 (D)π/2
- —台Y/Yn-0连接的三相变压器,其额定容量SN=320kVA,额定电压U1N/U2N=6.3/0.4kV,短路损耗PkN=5.5kW,阻抗电压Uk=4....
- —台单相变压器的额定容量SN=100kVA,额定电压U1N/U2N=3.3/0.22kV,短路电阻Rk=0.8775Ω,短路电抗Xk=6.0245Ω,则该...
- 变压器二次绕组的额定电压()。
(A)与相连母线电压相同 (B)比相连母线电压髙5%
(C)比相连母线电压髙10% (D)比相连母线电压高10%或5%
- —台Y/△—11连接的三相变压器,其额定容饿SN=5600kVA,额定电压U1N/U2N=35/6.3kV,短路电阻Rk=2.07短路电抗Xk=16.2Ω...