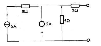
图示电路的戴维南等效电路参数us为应为下列哪项数值?( )A. 35V B. 15V C. 3V D. 9V

作者: tihaiku 人气: - 评论: 0
问题 图示电路的戴维南等效电路参数us为应为下列哪项数值?( )
选项 A. 35V B. 15V C. 3V D. 9V
答案 B
解析 解:由题可知:us = 5 X (5-2) = 15V

相关内容:电路,戴维,等效电路,参数,数值

猜你喜欢

发表评论
更多 网友评论0 条评论)
暂无评论

访问排行

Copyright © 2012-2014 恰考网 Inc. 保留所有权利。 Powered by tikuer.com

页面耗时0.0618秒, 内存占用1.03 MB, Cache:redis,访问数据库14次