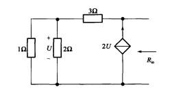
图中电路的输人电阻Rm为()。
相关内容:图中,电路,输人,电阻
- 在电力系统短路电流计算中,假设各元件的磁路不饱和的目的是()。
(A)可以应用叠加原理 (B)避免复数运算
(C)不计过渡电阻 (D)化故障系统为对称...
- 在图1.1-8电路中,Is =2 A,求该独立电流源供出的功率。
- —台三相4极的感应电动机运行在额定状态,其f=50Hz,nN=1460r/min,转子电阻实际值R2=0.106Ω。在负载转矩不变的情况下,当转子电路中串...
- —台单相变压器的额定容量SN=100kVA,额定电压U1N/U2N=3.3/0.22kV,短路电阻Rk=0.8775Ω,短路电抗Xk=6.0245Ω,则该...
- —台Y/△—11连接的三相变压器,其额定容饿SN=5600kVA,额定电压U1N/U2N=35/6.3kV,短路电阻Rk=2.07短路电抗Xk=16.2Ω...
- —台单相变压器的额定容量SN=200kVA,额定电压U1N/U2N=1/0.23kV,一次绕组电阻=0.10,漏电抗X1=0.16Ω,励磁电阻Rm=5.5...
- 按照国家技术标准规定,计算变压器的性能时,对绕阻电阻的温度要换算到()数值。
(A)40℃ (B)55℃ (C)65℃ (D)75℃
- 一台汽轮发电机并于无穷大电网运行,其额定容量SN=31.25MVA,UN=10.5kV,cosψN=0.8(滞后),Xc=7Ω,不计定子电阻,Y接法。发电...
- 一台汽轮发电机并于无穷大电网运行,其额定容量SN=31.25MVA,UN=10.5kV,cosψN=0.8(滞后),Xc=7Ω,不计定子电阻,Y接法。发电...
- 将三相感应电动机的转子电阻增大一倍,则最大电磁转矩将会()。
(A)增大 (B)减小 (C)不变 (D)不确定