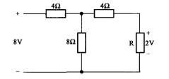
如图所示,电阻R的值为()
相关内容:如图,电阻
- 在电力系统短路电流计算中,假设各元件的磁路不饱和的目的是()。
(A)可以应用叠加原理 (B)避免复数运算
(C)不计过渡电阻 (D)化故障系统为对称...
- —台单相变压器的额定容量SN=100kVA,额定电压U1N/U2N=3.3/0.22kV,短路电阻Rk=0.8775Ω,短路电抗Xk=6.0245Ω,则该...
- —台Y/△—11连接的三相变压器,其额定容饿SN=5600kVA,额定电压U1N/U2N=35/6.3kV,短路电阻Rk=2.07短路电抗Xk=16.2Ω...
- 一台三相同步电动机的同步电抗Xc=5.8Ω,UN=380V,IN=25.3A,cosψ=0.9,不计定子电阻,Y接法。额定状态运行时的空载电动势E0=25...
- 三相感应电动机等值电路中的电阻(上消耗的功率为()。
(A)轴上输出机械功率(B)电磁功率(C)输入功率 (D)总机械功率
- 一台汽轮发电机并于无穷大电网运行,其额定容量SN=31.25MVA,UN=10.5kV,cosψN=0.8(滞后),Xc=7Ω,不计定子电阻,Y接法。发电...
- 一台隐极同步发电机并于无穷大电网,额定数据为:UN=11kV,PN=3MW,同步电抗Xc=12Ω,不计定子电阻,Y接法。当发电机额定运行,并且每相空载电动...
- 将三相感应电动机的转子电阻增大一倍,则最大电磁转矩将会()。
(A)增大 (B)减小 (C)不变 (D)不确定
- 一台单相变压器的额定容量SN=100kVA,额定电压U1N/U2N=6/0.23kV,—次绕组电阻与漏抗为R1,=4.32Ω、X1=8.9二次绕组电阻与漏...
- 一台汽轮发电机并于无穷大电网运行,其额定容量SN=31.25MVA,UN=10.5kV,cosψN=0.8(滞后),Xc=7Ω,不计定子电阻,Y接法。发电...