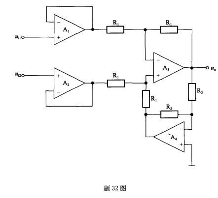
电路如图所示,设运放均有理想的特性,则输出电压uo为()。

作者: tihaiku 人气: - 评论: 0
问题 电路如图所示,设运放均有理想的特性,则输出电压uo为()。
选项
答案 D
解析 答案:D

猜你喜欢

发表评论
更多 网友评论0 条评论)
暂无评论

访问排行

Copyright © 2012-2014 恰考网 Inc. 保留所有权利。 Powered by tikuer.com

页面耗时0.0454秒, 内存占用1.03 MB, Cache:redis,访问数据库14次