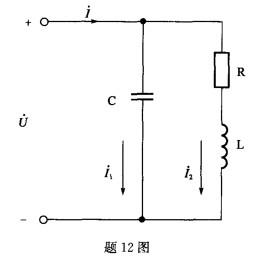
如图所示正弦交流电路中,已知电源电压有效值U= 100V,角频率为ω,电流有效值I = I1=I2,电源提供的有功功率P=866W。则ωL为( )。A. ...

作者: tihaiku 人气: - 评论: 0
问题 如图所示正弦交流电路中,已知电源电压有效值U= 100V,角频率为ω,电流有效值I = I1=I2,电源提供的有功功率P=866W。则ωL为( )。
选项 A. 15Ω B. 10Ω C. 5Ω D. 1Ω
答案 C
解析 解 由已知条件可画出相量图,如图所示。 答案:C

相关内容:如图,正弦,交流,电路,电源,电压,有效值,电流

猜你喜欢

发表评论
更多 网友评论0 条评论)
暂无评论

访问排行

Copyright © 2012-2014 恰考网 Inc. 保留所有权利。 Powered by tikuer.com

页面耗时0.0597秒, 内存占用1.03 MB, Cache:redis,访问数据库15次