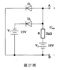
如图所示电路中,二极管性能理想,则电压UAB为( )。
A. -5V
B. -15V
C. 10V
D. 25V
相关内容:如图,电路,二极管,性能,理想,电压
- —台三相变压器的额定容傲SN =3 200 KVA,额定电压U1N/U2N=35/10. 5 KV,其 —次侧额定电流为( )A。
(A)91.4 (B...
- 在发生不对称短路的网络中,下列说法中不正确的是()。
(A)电源点的正序电压最高 (B)短路点的负序和零序电压最髙
(C)单相短路时电压最不对称 (D...
- 下列关于两相短路说法不正确的是()。
(A)两相短路电流为正序电流的√3倍(B)短路点非故障相电压为正序电压的两倍
(C)故障相电压为非故障相电压的一...
- 在下列无功电源中,无功功率控制性能最差的是()。
(A)同步发电机(B)同步调相机(C)并联电容器(D))静止补偿器
- 某台发电机额定有功功率25MW,额定电压10.5kV,额定功率因数0.85,则该发电机以额定功率因数运行,可发无功功率为()MVar。
(A)15.5 ...
- 有一条100km的220kV输电线路,线路毎公里的参数r0+jx0=0.08+j0.33Ω,b0=2.85x1O-6S,已知首端实际电压为230kV,末端...
- 我国电力网络目前的平均额定电压主要有()。
(A) 3.15kV,6.3kV,10.5kV,36.75kV,115.5kV,231kV,346.5kV,...
- 不直接和发电机相连的变压器一次绕组的额定电压()。
(A)等于相连线路的额定电压 (B)比相连线路的额定电压髙5%
(C)比相连线路的额定电压高10%...
- 发电机的额定电压比网络的额定电压髙()。
(A)5% (B)10% (C)0% (D)15%
- 电力网络的额定电压等于()的额定电压。
(A)发电机 (B)升压变压器(C)电力线路 (D)降压变压器