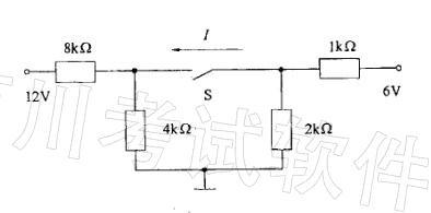
在图示的电路中,当开关S闭合后,流过开关S的电流I为:A. 1mA B. 0mA C. -1mA D.无法判定

作者: rantiku 人气: - 评论: 0
问题 在图示的电路中,当开关S闭合后,流过开关S的电流I为: A. 1mA B. 0mA C. -1mA D.无法判定
选项
答案 B
解析 提示:用等效电压源定理,将开关S左右两端的电路用等效简化为电压源,即可确定电流I的数值。

猜你喜欢

发表评论
更多 网友评论0 条评论)
暂无评论

访问排行

Copyright © 2012-2014 恰考网 Inc. 保留所有权利。 Powered by tikuer.com

页面耗时0.0778秒, 内存占用1.03 MB, Cache:redis,访问数据库17次