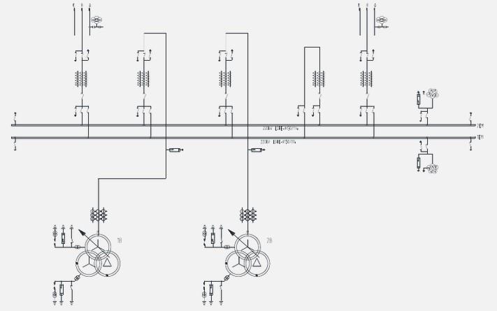
建设在海拔2000米、污秽等级为Ⅲ级的220kV屋外配电装置,采用双母线接线,有2回进线,2回出线,均为架空线路。220kV为有效接地系统,其主接线如图:...

作者: rantiku 人气: - 评论: 0
问题 建设在海拔2000米、污秽等级为Ⅲ级的220kV屋外配电装置,采用双母线接线,有2回进线,2回出线,均为架空线路。220kV为有效接地系统,其主接线如图:
选项 请根据计算母线氧化锌避雷器保护电气设备的最大距离(除主变外)。 A 165m B 195m C 223m D 263m
答案 D
解析 根据《交流电气装置的过电压保护和绝缘配合DL/T 620-1997》第7.3.4条,b)款及表12:金属氧化物避雷器与主变压器间的最大电气距离可参照表12确定。对其他电器的最大距离可相应增加35%。 即195*(1+35%)=263m选D

猜你喜欢

发表评论
更多 网友评论0 条评论)
暂无评论
错误啦!

错误信息

  • 消息: [程序异常] : MISCONF Redis is configured to save RDB snapshots, but it's currently unable to persist to disk. Commands that may modify the data set are disabled, because this instance is configured to report errors during writes if RDB snapshotting fails (stop-writes-on-bgsave-error option). Please check the Redis logs for details about the RDB error.
  • 文件: /twcms/kongphp/cache/cache_redis.class.php
  • 位置: 第 85 行
    <?php echo 'KongPHP, Road to Jane.'; ?>