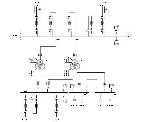
某电网规划建设一座220kV变电所,安装2台主变,三侧电压为220/110/10kV。220kV、110kV为双母线接线,10kV为单母线分段接线。220...

作者: rantiku 人气: - 评论: 0
问题 某电网规划建设一座220kV变电所,安装2台主变,三侧电压为220/110/10kV。220kV、110kV为双母线接线,10kV为单母线分段接线。220kV出线4回,10kV电缆出线16回,每回长2km。110kV出线无电源。电气主接线如下图所示,请回答下列问题。
选项 220kV线路采用架空钢铝绞线,(导线最高允许温度为+70℃、环境温度为25℃),导线参数如下表。若单回线路最大输送容量为550MW(功率因数为0.95),请计算并合理选择导线为下列哪一种? (A) 2*3002mm (B) 2*4002mm (C) 4002mm (D) 2*6302mm
答案 B
解析 220kV最大负荷电流

猜你喜欢

发表评论
更多 网友评论0 条评论)
暂无评论

访问排行

Copyright © 2012-2014 恰考网 Inc. 保留所有权利。 Powered by tikuer.com

页面耗时0.0456秒, 内存占用1.03 MB, Cache:redis,访问数据库20次