某电网规划建设一座220kV变电所,安装2台主变,三侧电压为220/110/10kV。220kV、110kV为双母线接线,10kV为单母线分段接线。220...

作者: rantiku 人气: - 评论: 0
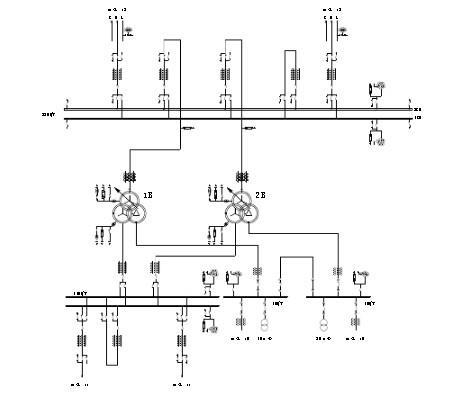
问题 某电网规划建设一座220kV变电所,安装2台主变,三侧电压为220/110/10kV。220kV、110kV为双母线接线,10kV为单母线分段接线。220kV出线4回,10kV电缆出线16回,每回长2km。110kV出线无电源。电气主接线如下图所示,请回答下列问题。
选项 若主变高压侧并列运行,为限制该变电所10kV母线短路电流,需采取相应措施。以下哪种措施不能有效限制10kV母线短路电流?为什么? (A) 提高主变阻抗 (B) 10kV母线分列运行 (C)在主变低压侧加装串联电抗器 (D) 110kV母线分列运行,10kV母线并列运行
答案 D
解析 根据《电力工程电气设计手册1》第4-1节,ABC都符合可采取的限流措施。《电力系统设计手册》

猜你喜欢

发表评论
更多 网友评论0 条评论)
暂无评论

访问排行

Copyright © 2012-2014 恰考网 Inc. 保留所有权利。 Powered by tikuer.com

页面耗时0.0320秒, 内存占用1.03 MB, Cache:redis,访问数据库16次