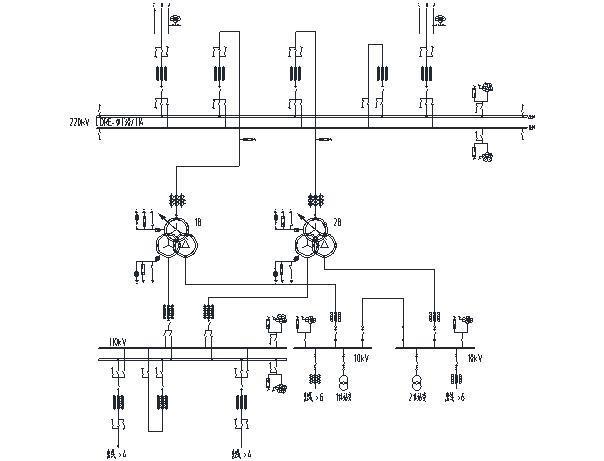
某地区电网规划建设一座220kV变电所,电压为220/110/10kV,主接线如下图所示。请解答下列问题当运行于#1母线的一回220kV线路出口发生相间短...

作者: rantiku 人气: - 评论: 0
问题 某地区电网规划建设一座220kV变电所,电压为220/110/10kV,主接线如下图所示。请解答下列问题
选项 当运行于#1母线的一回220kV线路出口发生相间短路,且断路器拒动时,保护正确动作行为应该是下列哪项?并说明根据和理由。 A 母线保护动作断开母联断路器 B 断路器失灵保护动作无时限断开母联断路器 C 母线保护动作断开连接在#1母线上的所有断路器 D 断路器失灵保护动作以较短时限断开母联断路器,再经一时限断开连接在#1母线上的所有断路器
答案 D
解析 根据《继电保护和安全自动装置技术规程 GB/T 14285-2006》第4.9.3.2条,220kV双母线的失灵保护,视系统保护配置的具体情况,可以较短时限断开与拒动断路器相关的母联断路器,再经一时限断开与拒动断路器连接在同一母线上的所有有源支路的断路器。 题21-25 某220kV变电所,最终规模为2台180MVA的主变,额定电压为220/110/35kV,拟在35kV侧装设并联电容器进行无功补偿。

猜你喜欢

发表评论
更多 网友评论0 条评论)
暂无评论
错误啦!

错误信息

  • 消息: [程序异常] : MISCONF Redis is configured to save RDB snapshots, but it's currently unable to persist to disk. Commands that may modify the data set are disabled, because this instance is configured to report errors during writes if RDB snapshotting fails (stop-writes-on-bgsave-error option). Please check the Redis logs for details about the RDB error.
  • 文件: /twcms/kongphp/cache/cache_redis.class.php
  • 位置: 第 85 行
    <?php echo 'KongPHP, Road to Jane.'; ?>