某110kV变电所装有两台三卷变压器,额定容量为120/120/60MVA,额定电压110/35/10kV,阻抗为21?U=9.5%、31?U=28%、3...

作者: rantiku 人气: - 评论: 0
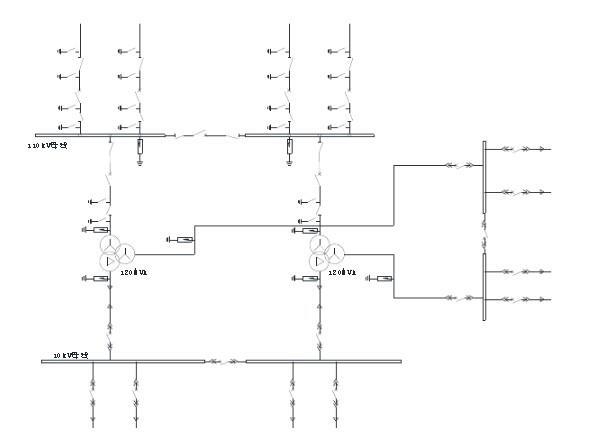
问题 某110kV变电所装有两台三卷变压器,额定容量为120/120/60MVA,额定电压110/35/10kV,阻抗为21?U=9.5%、31?U=28%、32?U=19%。主变110kV、35kV侧均为架空进线,110kV架空出线至2km之外的变电所(全线有避雷线),35kV和10kV为负荷线,10kV母线上装设有并联电容器组,其电气主接线图如下图所示。 图中10kV配电装置距主变压器1km,主变10kV侧采用3*185铜芯电缆接10kV母线,电缆单位长度电阻为0.103Ω/km,电抗为0.069Ω/km。功率因数?cos=0.85。请回答下列问题。(计算题按最接近数值选项)
选项 假设图中主变压器最大年利用小时数为4000小时,成本按0.27元/kwh,经济电流密度取0.4552/mmA,主变110kV侧架空导线采用铝绞线,按经济电流密度选择的导线截面应为: (A) 2*4002mm (B) 2*5002mm (C) 2*6302mm (D) 2*8002mm
答案 C
解析 根据《电力工程电气设计手册1》P232,表6-3,主变110kV侧持续工作电流: 又根据《导体和电器选择设计技术规定DL/T5222-2005》附录E,导体截面: 又根据本规定7.1.6:当无合适规格导体时,导体面积可按经济电流密度计算截面的相邻下一档选取,因此选C。

猜你喜欢

发表评论
更多 网友评论0 条评论)
暂无评论

访问排行

Copyright © 2012-2014 恰考网 Inc. 保留所有权利。 Powered by tikuer.com

页面耗时0.0600秒, 内存占用1.03 MB, Cache:redis,访问数据库14次