某110kV变电所装有两台三卷变压器,额定容量为120/120/60MVA,额定电压110/35/10kV,阻抗为21?U=9.5%、31?U=28%、3...

作者: rantiku 人气: - 评论: 0
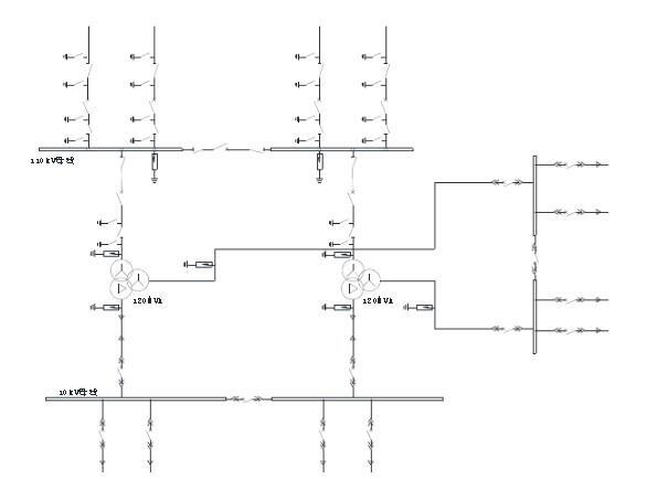
问题 某110kV变电所装有两台三卷变压器,额定容量为120/120/60MVA,额定电压110/35/10kV,阻抗为21?U=9.5%、31?U=28%、32?U=19%。主变110kV、35kV侧均为架空进线,110kV架空出线至2km之外的变电所(全线有避雷线),35kV和10kV为负荷线,10kV母线上装设有并联电容器组,其电气主接线图如下图所示。 图中10kV配电装置距主变压器1km,主变10kV侧采用3*185铜芯电缆接10kV母线,电缆单位长度电阻为0.103Ω/km,电抗为0.069Ω/km。功率因数?cos=0.85。请回答下列问题。(计算题按最接近数值选项)
选项 假设10kV母线上电压损失为5%,为保证母线电压正常为10kV,补偿的最大容性无功容量最接近下列哪项数值? (A) 38.6Mvar (B) 46.1Mvar (C) 68.8Mvar (D) 72.1Mvar
答案 C
解析 根据《电气工程电力设计手册1》第9-2节,式(9-4)

猜你喜欢

发表评论
更多 网友评论0 条评论)
暂无评论

访问排行

Copyright © 2012-2014 恰考网 Inc. 保留所有权利。 Powered by tikuer.com

页面耗时0.0458秒, 内存占用1.03 MB, Cache:redis,访问数据库18次