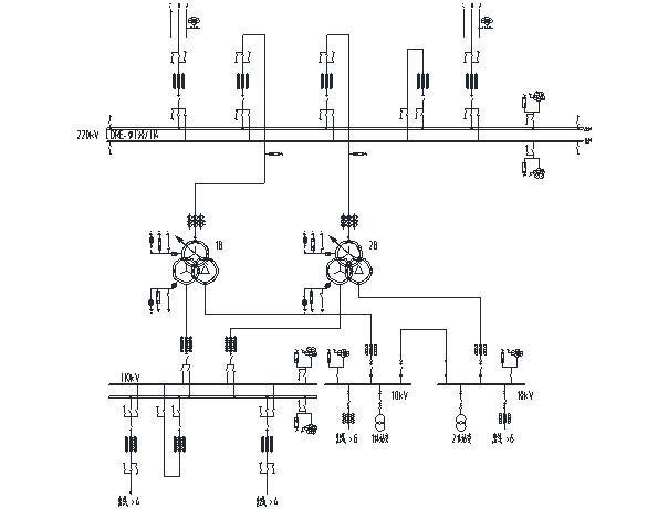
某地区电网规划建设一座220kV变电所,电压为220/110/10kV,主接线如下图所示。请解答下列问题若该所并联电容器接入电网的背景谐波为5次以上,则并...

作者: rantiku 人气: - 评论: 0
问题 某地区电网规划建设一座220kV变电所,电压为220/110/10kV,主接线如下图所示。请解答下列问题
选项 若该所并联电容器接入电网的背景谐波为5次以上,则并联电抗器的电抗率是: A 1% B 5% C 12% D 13%
答案 B
解析 根据《并联电容器装置设计规范 GB50227-2008》第5.5.2.2条,该所并联电容器接入电网的背景谐波为5次以上,则并联电抗器的电抗率是:4.5%~5.0%。

猜你喜欢

发表评论
更多 网友评论0 条评论)
暂无评论

访问排行

Copyright © 2012-2014 恰考网 Inc. 保留所有权利。 Powered by tikuer.com

页面耗时0.0425秒, 内存占用1.03 MB, Cache:redis,访问数据库15次