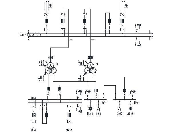
某地区电网规划建设一座220kV变电所,电压为220/110/10kV,主接线如下图所示。请解答下列问题若本所每台主变安装单组容量为3相3.5kV,120...

作者: rantiku 人气: - 评论: 0
问题 某地区电网规划建设一座220kV变电所,电压为220/110/10kV,主接线如下图所示。请解答下列问题
选项 若本所每台主变安装单组容量为3相3.5kV,12000kVA的电容器两组,若电容器采用单星形接线,每相由10台电容器并联两台电容器串联而成,请计算每单台容量为: A 500kVar B 334kVar C 200kVar D 250kVar
答案 C
解析 每相电容器2*10=20台,则每相电容器容量12000/3=4000kVar,可知: 单台电容器容量4000/20=200kVar。

猜你喜欢

发表评论
更多 网友评论0 条评论)
暂无评论

访问排行

Copyright © 2012-2014 恰考网 Inc. 保留所有权利。 Powered by tikuer.com

页面耗时0.0454秒, 内存占用1.03 MB, Cache:redis,访问数据库19次