一座35kV变电所,有两回35kV进线,装有两台35/10kV容量为5000kV·A主变压器,35kV母线和10kV母线均釆用单母线分段接线方式,有关参数...

作者: tihaiku 人气: - 评论: 0
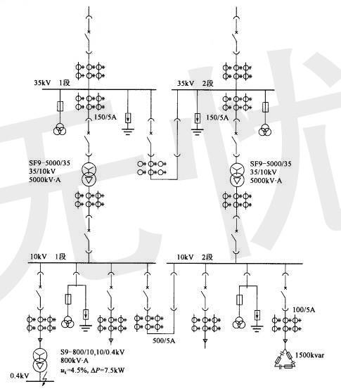
问题 一座35kV变电所,有两回35kV进线,装有两台35/10kV容量为5000kV·A主变压器,35kV母线和10kV母线均釆用单母线分段接线方式,有关参数 :如图所示,继电保护装置由电流互感器、DL型电流继电器、时间继电器组成,可靠系数为1.2,接线系数为1,继电器返回系数为0.85。 变电所10kV电容器组的过电流保护装置的动作电流为下列哪一项?(计算中过负荷系数取1.3) ( ) (A)6. 11A (B)6.62A (C)6.75
选项 A (D)7.95A
答案 D
解析

相关内容:一座,变电所,容量,5000kV,变压器,母线,釆用,单母线,分段,接线,方式,有关,参数

猜你喜欢

发表评论
更多 网友评论0 条评论)
暂无评论
错误啦!

错误信息

  • 消息: [程序异常] : MISCONF Redis is configured to save RDB snapshots, but it's currently unable to persist to disk. Commands that may modify the data set are disabled, because this instance is configured to report errors during writes if RDB snapshotting fails (stop-writes-on-bgsave-error option). Please check the Redis logs for details about the RDB error.
  • 文件: /twcms/kongphp/cache/cache_redis.class.php
  • 位置: 第 85 行
    <?php echo 'KongPHP, Road to Jane.'; ?>