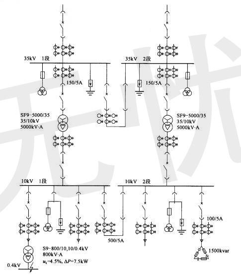
一座35kV变电所,有两回35kV进线,装有两台35/10kV容量为5000kV·A主变压器,35kV母线和10kV母线均釆用单母线分段接线方式,有关参数...

作者: tihaiku 人气: - 评论: 0
问题 一座35kV变电所,有两回35kV进线,装有两台35/10kV容量为5000kV·A主变压器,35kV母线和10kV母线均釆用单母线分段接线方式,有关参数 :如图所示,继电保护装置由电流互感器、DL型电流继电器、时间继电器组成,可靠系数为1.2,接线系数为1,继电器返回系数为0.85。 假定变电所的两段10kV母线在系统最大运行方式下母线三相短路超瞬态电流为5480A,系统最小运行方式下母线三相短路超瞬态电流为4560A,10kV母线分段断路器电流速断保护装置的动作电流为下列哪一项? ( ) (A)19.74A (B)22.8A (C)23.73
选项 A (D)27.4A
答案 A
解析

相关内容:一座,变电所,容量,5000kV,变压器,母线,釆用,单母线,分段,接线,方式,有关,参数

猜你喜欢

发表评论
更多 网友评论0 条评论)
暂无评论

Copyright © 2012-2014 恰考网 Inc. 保留所有权利。 Powered by tikuer.com

页面耗时0.0495秒, 内存占用1.03 MB, Cache:redis,访问数据库14次