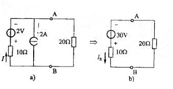
图示两电路相互等效,由图b)可知,流经10Ω电阻的电流IR = 1A,由此可求得流经图a)电路中10Ω电阻的电流I等于: A.1A B. -1A C...

作者: tihaiku 人气: - 评论: 0
问题 图示两电路相互等效,由图b)可知,流经10Ω电阻的电流IR = 1A,由此可求得流经图a)电路中10Ω电阻的电流I等于: A.1A B. -1A C. -3A D. 3A
选项
答案 A
解析 提示:根据线性电路的戴维南定理,图a)和图b)电路等效指的是对外电路电压和电流相同,即电路中20Ω电阻中的电流均为1A;然后利用节电电流关系可知,流过图a)电路10Ω电阻中的电流是1A。

猜你喜欢

发表评论
更多 网友评论0 条评论)
暂无评论

Copyright © 2012-2014 恰考网 Inc. 保留所有权利。 Powered by tikuer.com

页面耗时0.0430秒, 内存占用1.02 MB, Cache:redis,访问数据库13次