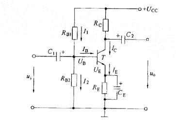
分压偏置单管放大电路如图所示,图中发射极旁路电容CE因损坏而断开,则该电路的电压放大倍数将: A.增大 B.减小 C.不变 D.无法判断

作者: tihaiku 人气: - 评论: 0
问题 分压偏置单管放大电路如图所示,图中发射极旁路电容CE因损坏而断开,则该电路的电压放大倍数将: A.增大 B.减小 C.不变 D.无法判断
选项
答案 B
解析

猜你喜欢

发表评论
更多 网友评论0 条评论)
暂无评论

Copyright © 2012-2014 恰考网 Inc. 保留所有权利。 Powered by tikuer.com

页面耗时0.0529秒, 内存占用1.04 MB, Cache:redis,访问数据库20次