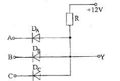
图为三个二极管和电阻R组成一个基本逻辑门电路,输入二极管的高电平和低电平分别是3V和0V,电路的逻辑关系式是: A. Y=ABC B. Y=A+B...

作者: tihaiku 人气: - 评论: 0
问题 图为三个二极管和电阻R组成一个基本逻辑门电路,输入二极管的高电平和低电平分别是3V和0V,电路的逻辑关系式是: A. Y=ABC B. Y=A+B+C C.Y=AB+C D. Y=(A+B)C
选项
答案 A
解析 提示:首先确定在不同输入电压下三个二极管的工作状态,依此确定输出端的电位UY;然后判断各电位之间的逻辑关系,当点电位高于2.4V时视为逻辑状态“1”,电位低于0.4V时视为逻辑“0”状态。

相关内容:三个,二极管,电阻,逻辑,高电,低电,电路,关系,A+B...

猜你喜欢

发表评论
更多 网友评论0 条评论)
暂无评论

Copyright © 2012-2014 恰考网 Inc. 保留所有权利。 Powered by tikuer.com

页面耗时0.0256秒, 内存占用1.04 MB, Cache:redis,访问数据库19次