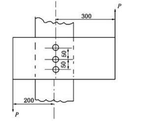
如图所示结构由三个横截面积为A的铆钉连接两块钢板而成,图中尺寸均为mm,则铆钉的最大剪应力为(  )。

作者: tihaiku 人气: - 评论: 0
问题 如图所示结构由三个横截面积为A的铆钉连接两块钢板而成,图中尺寸均为mm,则铆钉的最大剪应力为(  )。
选项
答案 A
解析

相关内容:如图,结构,三个,横截,面积,铆钉,钢板,图中,尺寸

猜你喜欢

发表评论
更多 网友评论0 条评论)
暂无评论

Copyright © 2012-2014 恰考网 Inc. 保留所有权利。 Powered by tikuer.com

页面耗时0.0399秒, 内存占用1.04 MB, Cache:redis,访问数据库19次