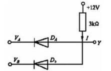
电路如图所示,设DA、DB为理想二极管,当VA=3V,VR=6V时,I等于(  )mA。 A.1.5 B.2 C.3 D.4

作者: tihaiku 人气: - 评论: 0
问题 电路如图所示,设DA、DB为理想二极管,当VA=3V,VR=6V时,I等于(  )mA。
选项 A.1.5 B.2 C.3 D.4
答案 C
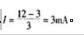
解析 因为VA<VB,所以DA先导通,DA导通后,将Y点的电位限制在3V,由于3V<6V,DB反向截止,所以

相关内容:电路,如图,理想,二极管

猜你喜欢

发表评论
更多 网友评论0 条评论)
暂无评论

Copyright © 2012-2014 恰考网 Inc. 保留所有权利。 Powered by tikuer.com

页面耗时0.0349秒, 内存占用1.04 MB, Cache:redis,访问数据库17次