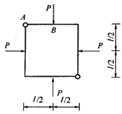
图示结构EI=常数,在给定荷载作用下,剪力Qab为:

作者: tihaiku 人气: - 评论: 0
问题 图示结构EI=常数,在给定荷载作用下,剪力Qab为:
选项
答案 C
解析 利用对称性。

相关内容:结构,常数,荷载,作用,剪力

猜你喜欢

发表评论
更多 网友评论0 条评论)
暂无评论

Copyright © 2012-2014 恰考网 Inc. 保留所有权利。 Powered by tikuer.com

页面耗时0.0224秒, 内存占用1.03 MB, Cache:redis,访问数据库14次