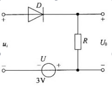
电路如图所示,D为理想二极管ui=6sinωt(V),则输出电压的最大值U0m为( )V。 A.6 B.3 C.-3 D.-6

作者: tihaiku 人气: - 评论: 0
问题 电路如图所示,D为理想二极管ui=6sinωt(V),则输出电压的最大值U0m为( )V。
选项 A.6 B.3 C.-3 D.-6
答案 B
解析 分析二极管电路的方法是将二极管视为断路,判断二极管的端部电压。如果二极管处于正向偏置状态,可将二极管视为短路;如果二极管处于反向偏置状态,可将二极管视为断路。简化后含有二级管电路已经成为线性电路,用线性电路理论分析可得结果

相关内容:电路,如图,理想,二极管,电压,最大值

猜你喜欢

发表评论
更多 网友评论0 条评论)
暂无评论

Copyright © 2012-2014 恰考网 Inc. 保留所有权利。 Powered by tikuer.com

页面耗时0.0359秒, 内存占用1.03 MB, Cache:redis,访问数据库13次