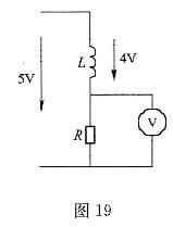
判断图19中电压表的读值( )。A、1V B、3V C、6V D、9V

作者: tihaiku 人气: - 评论: 0
问题 判断图19中电压表的读值( )。
选项 A、1V B、3V C、6V D、9V
答案 B
解析 据正弦交流电路RL串联电路的电压三角形

相关内容:判断,电压表,读值

猜你喜欢

发表评论
更多 网友评论0 条评论)
暂无评论

Copyright © 2012-2014 恰考网 Inc. 保留所有权利。 Powered by tikuer.com

页面耗时0.0433秒, 内存占用1.04 MB, Cache:redis,访问数据库18次