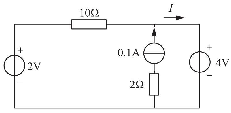
已知电路如图所示,其中,电流I等于(  )。 A、0.1A B、0.2A C、-0.1A D、-0.2A

作者: tihaiku 人气: - 评论: 0
问题 已知电路如图所示,其中,电流I等于(  )。
选项 A、0.1A B、0.2A C、-0.1A D、-0.2A
答案 C
解析

相关内容:电路,如图,电流

猜你喜欢

发表评论
更多 网友评论0 条评论)
暂无评论

Copyright © 2012-2014 恰考网 Inc. 保留所有权利。 Powered by tikuer.com

页面耗时0.0376秒, 内存占用1.04 MB, Cache:redis,访问数据库15次