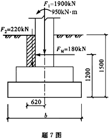
某有吊车的厂房柱基础,各项荷载设计值及深度尺寸如图所示。地基土为黏土,重度γ=19.0kN/m3,fak=203kPa,孔隙比e=0.84,w=30%,w...

作者: tihaiku 人气: - 评论: 0
问题 某有吊车的厂房柱基础,各项荷载设计值及深度尺寸如图所示。地基土为黏土,重度γ=19.0kN/m3,fak=203kPa,孔隙比e=0.84,w=30%,wL=36%,wp=23%,则矩形基础的面积最接近( )。 A 10.4m2 B 8m2 C 15m2 D 18m2
选项
答案 C
解析 ①按中心荷载初步估计所需的底面积尺寸A0 计算地基承载力特征值(先不考虑宽度修正) Ip=0.36-0.23=0.13 IL=(0.3-0.23)=0.54 查《建筑地基基础设计规范》(GB 50007—2002),对e和IL均小于0.85的黏性土,取η(b =0.3,ηd=1.6,得 fa=203+1.6×19×(1.5-0.5)=233.4kPa 则 ②考虑荷载偏心,将面积A0增加30%,即 ιb=10.4×(1+30%)=13.52 m2 取基底边长b/ι=2(b为荷载偏心方向边长),故 ιb=2ι2=13.52m2 解得ι=2.6m,b=5.2m 验算荷载偏心距 基底处的总竖向力 Fk+Gk=1900+220+20×2.6×5.2×1.5=2525.6kN 基底处的总力矩 Mk=950+180×1.2+220×0.62=1302kN·m 偏心距 验算基底边缘最大压力pkmax,因短边小于3m,故fa=233.4kPa。 调整基底底面尺寸再验算: 取ι=2.7m,b=5.4m(地基承载力特征值不变) Fk+Gk=1900+220+20×2.7×5.4×1.5=2557kN 故确定基础的底面面积 A=2.7×5.4=14.58m2

相关内容:吊车,厂房,基础,荷载,设计,深度,尺寸,如图,地基,黏土,19.0kN,203kPa,孔隙

猜你喜欢

发表评论
更多 网友评论0 条评论)
暂无评论

访问排行

Copyright © 2012-2014 恰考网 Inc. 保留所有权利。 Powered by tikuer.com

页面耗时0.0514秒, 内存占用1.04 MB, Cache:redis,访问数据库18次