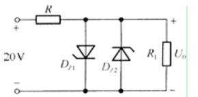
由两只稳压管构成的电路如所图示。稳压管Dz1和Dz2的稳定电压分别为5.5V和8.5V,正向压降都是0.5V。输出电压U0是()。 A. U0 =8.5...

作者: tihaiku 人气: - 评论: 0
问题 由两只稳压管构成的电路如所图示。稳压管Dz1和Dz2的稳定电压分别为5.5V和8.5V,正向压降都是0.5V。输出电压U0是()。
选项 A. U0 =8.5V B. U0 =0.5V C. U0 =9V D. U0 =14V
答案 B
解析 图示电路是两只稳压管并联,Dz1正向导通,导通压降是0.5V,由于Dz2的击穿电压为8.5V,因此D22处于反向截止状态,所以输出电压是U0=0.5V。

相关内容:构成,电路,如所,电压,压降,8.5...

猜你喜欢

发表评论
更多 网友评论0 条评论)
暂无评论

访问排行

Copyright © 2012-2014 恰考网 Inc. 保留所有权利。 Powered by tikuer.com

页面耗时0.0636秒, 内存占用1.04 MB, Cache:redis,访问数据库16次