某企业电网先期装有4台发电机(2x30MW+2x42MW),后期扩建2台300MW机组,通过2回35kV线路与主网相联,主设备参数如表所列,该企业电网的电...

作者: tihaiku 人气: - 评论: 0
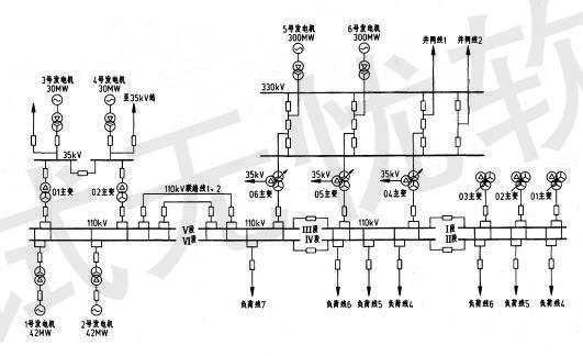
问题 某企业电网先期装有4台发电机(2x30MW+2x42MW),后期扩建2台300MW机组,通过2回35kV线路与主网相联,主设备参数如表所列,该企业电网的电气主接线如图所示。 若正常运行方式下,110kV的短路电流为29.8kA,10kV母线短路电流为18kA,若10kV母线装设无功补偿电容器组,请计算电容器的分组容量应取下列哪项数值? () (A)13.5Mvar (B)10Mvar (C)8Mvar (D)4.5Mvar
选项
答案 C
解析 《电力系统设计手册》P244式(8-4)。 注:原书中公式写的不严谨,实际上仅取2.5%即可,有异议的考友可参考书中P245的算式,即可明白。

相关内容:企业,电网,发电机,2x30MW+2x42MW,后期,机组,线路,主网,设备,参数

猜你喜欢

发表评论
更多 网友评论0 条评论)
暂无评论

访问排行

Copyright © 2012-2014 恰考网 Inc. 保留所有权利。 Powered by tikuer.com

页面耗时0.0448秒, 内存占用1.04 MB, Cache:redis,访问数据库19次