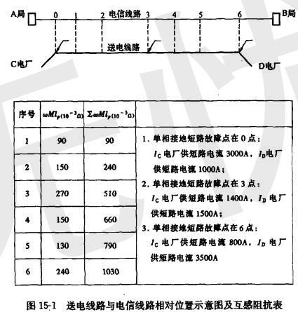
送电线路与电信线路相对位置示意图及互感阻抗表如图15-1所示:请计算磁感应纵电动势(电磁综合屏蔽系数K 50=1)。 单相接地短路故障点在0点:最...

作者: tihaiku 人气: - 评论: 0
问题 送电线路与电信线路相对位置示意图及互感阻抗表如图15-1所示:请计算磁感应纵电动势(电磁综合屏蔽系数K 50=1)。 单相接地短路故障点在0点:最大磁感应纵电动势为()。
选项 A.510V; B.3090V; C.1530V; D.1039V。
答案 D
解析 0点短路:1000X1.030=1030(V) 根据《输电线路对电信线路危险和干扰影响防护设计规程》(DL/T5033—2006)的5.2.1条的有关规定。 磁感应纵电动势=

相关内容:线路,电信,位置,示意图,阻抗,如图,15-1所示,磁感应,电动势,电磁,综合,屏蔽,系数,接地,短路,故障

猜你喜欢

发表评论
更多 网友评论0 条评论)
暂无评论

访问排行

Copyright © 2012-2014 恰考网 Inc. 保留所有权利。 Powered by tikuer.com

页面耗时0.0322秒, 内存占用1.03 MB, Cache:redis,访问数据库14次