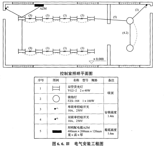
某控制室照明系统中某回路如图图6.Ⅲ所示。 说明: 1.照明配电箱AZM由本层总配电箱引来,配电箱为嵌入式安装。 2.管路均为镀锌钢管φ15沿墙...

作者: tihaiku 人气: - 评论: 0
问题 某控制室照明系统中某回路如图图6.Ⅲ所示。 说明: 1.照明配电箱AZM由本层总配电箱引来,配电箱为嵌入式安装。 2.管路均为镀锌钢管φ15沿墙、楼板暗配,顶管敷管标高4.50m,管内穿绝缘导线ZRBV-5002.5mm2。 3.配管水平长度见括号内数字,单位为m。 计算该照明工程的相关定额数据见6.Ⅲ-1表。 人工单价为41.80元/工日,管理费和利润分别按人工费的30%和10%计。 问题: 1.根据图示内容和《通用安装工程工程量计算规范》GB 50856--2013的相关规定计算工程量,管线工程量计算式填入答题纸上指定的位置,并根据以下给定的统一项目编码编制分部分项工程量清单及计价表(不计算计价部分)。 2.假设镀锌钢管φ15暗配的清单工程量为50m,其余条件不变,依据上述相关定额数据,计算分析镀锌钢管φ15暗配项目的综合单价,并填入“工程量清单综合单价分析表”中。 (金额保留两位小数,其余保留三位小数)
选项
答案
解析 问题1: 阻燃绝缘导线ZRBV-5002.5mm2工程量计算: (2.7+0.6)×2+[(4.5-1.4)]×2+3×4 × 3+3×4×2+5×2+4.2×2+[3+(4.5-1.4)]×2+4.5-1.4=106.50(m) 镀锌钢管φ15工程量计算: (4.5-1.6-0.2)+(4.5-1.4)+3×8+5+4.2+3+(4.5-1.4)=45.1(m) 问题2:

相关内容:控制室,照明,系统,中某,回路,如图,配电箱,本层,嵌入式,管路,镀锌,钢管,沿墙

猜你喜欢

发表评论
更多 网友评论0 条评论)
暂无评论

访问排行

Copyright © 2012-2014 恰考网 Inc. 保留所有权利。 Powered by tikuer.com

页面耗时0.0398秒, 内存占用1.04 MB, Cache:redis,访问数据库15次