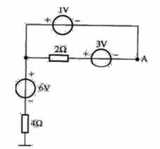
直流电路如图所示。图中A点的电位是( )。 A. UA= -3V B. UA=7V C. UA=5V D. UA=6V

作者: tihaiku 人气: - 评论: 0
问题 直流电路如图所示。图中A点的电位是( )。
选项 A. UA= -3V B. UA=7V C. UA=5V D. UA=6V
答案 C
解析 图示电路中6V电源和4Ω电阻串联的支路没有闭合,故4Ω电阻上没有电流,也没有电压;3V电源和2Ω电阻串联后与1V电源并联,故端电压为1V; A点电位是指从A点到参考点之间的电压,方向自左向右,1V电源的方向与其相反为负,6V电源的方向与其相同为正,所以图示电路中A点电位为:UA=6-1=5V。

相关内容:电路,如图,图中,电位

发表评论
更多 网友评论0 条评论)
暂无评论
错误啦!

错误信息

  • 消息: [程序异常] : MISCONF Redis is configured to save RDB snapshots, but it's currently unable to persist to disk. Commands that may modify the data set are disabled, because this instance is configured to report errors during writes if RDB snapshotting fails (stop-writes-on-bgsave-error option). Please check the Redis logs for details about the RDB error.
  • 文件: /twcms/kongphp/cache/cache_redis.class.php
  • 位置: 第 85 行
    <?php echo 'KongPHP, Road to Jane.'; ?>