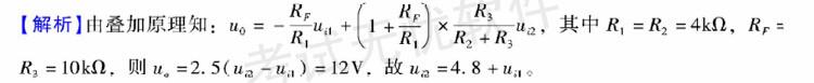
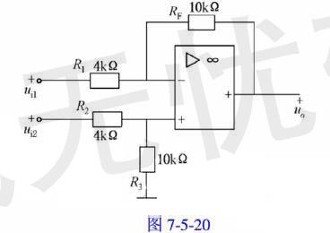
如图7-5-20所示电路可进行减法运算,已知输出电压U0=12V,则两输入信号电压Ui1与Ui2之间的关系是()。 A. Ui2=30+Ui1 B. ...

作者: tihaiku 人气: - 评论: 0
问题 如图7-5-20所示电路可进行减法运算,已知输出电压U0=12V,则两输入信号电压Ui1与Ui2之间的关系是()。
选项 A. Ui2=30+Ui1 B. Ui2=Ui1-48 C. Ui2=3.8-2.5Ui1 D. Ui2=4.8+Ui1
答案 D
解析

相关内容:如图,7-5-20,电路,减法,运算,电压,信号,关系,30+Ui1

猜你喜欢

发表评论
更多 网友评论0 条评论)
暂无评论

Copyright © 2012-2014 恰考网 Inc. 保留所有权利。 Powered by tikuer.com

页面耗时0.0332秒, 内存占用1.04 MB, Cache:redis,访问数据库17次