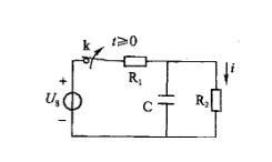
图示电路中,开关k在t=0时刻打开,此后,电流i的初始值和稳态值分别为:

作者: tihaiku 人气: - 评论: 0
问题 图示电路中,开关k在t=0时刻打开,此后,电流i的初始值和稳态值分别为:
选项
答案 B
解析 提示:在暂态电路中电容电压符合换路定则UC(t0+)=UC(t0-),开关闭合以前UC(t0-)=R2Us/(R1+R2), I(0+)=UC(0+)/R2。电路达到稳定以后电容能量放光,电路中稳态电流 I(∞)=0。

猜你喜欢

发表评论
更多 网友评论0 条评论)
暂无评论

Copyright © 2012-2014 恰考网 Inc. 保留所有权利。 Powered by tikuer.com

页面耗时0.0319秒, 内存占用1.04 MB, Cache:redis,访问数据库18次