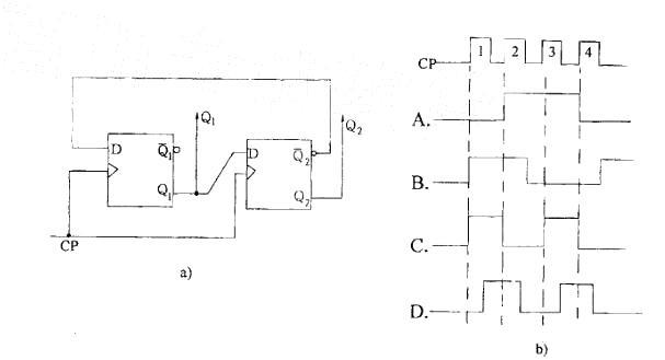
D触发器组成的电路如图a)所示。设Q1、Q2的初始态是0、0,已知CP脉冲波型,Q2的波形是图b)中哪个图形?

作者: tihaiku 人气: - 评论: 0
问题 D触发器组成的电路如图a)所示。设Q1、Q2的初始态是0、0,已知CP脉冲波型,Q2的波形是图b)中哪个图形?
选项
答案 A
解析 提示:从时钟输入端的符号可见,该触发器为正边沿触发方式。即:当时钟信号由低电平上升为髙电平时刻,输出端的状态可能发生改变,变化的逻辑结果由触发器的逻辑表决定。

相关内容:触发器,电路,如图,初始,脉冲,波形,图形

猜你喜欢

发表评论
更多 网友评论0 条评论)
暂无评论

Copyright © 2012-2014 恰考网 Inc. 保留所有权利。 Powered by tikuer.com

页面耗时0.0462秒, 内存占用1.04 MB, Cache:redis,访问数据库20次