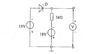
在图示的二极管电路中,设二极管D是理想的(正向电压为0V,反向电流为0A),且电压表内阻为无限大,则电压表的读数为: A. 15V B. 3V C....

作者: tihaiku 人气: - 评论: 0
问题 在图示的二极管电路中,设二极管D是理想的(正向电压为0V,反向电流为0A),且电压表内阻为无限大,则电压表的读数为: A. 15V B. 3V C. -18V D. -15V
选项
答案 D
解析

相关内容:二极管,电路,理想,电压,电流,电压表,内阻,无限大,读数

猜你喜欢

发表评论
更多 网友评论0 条评论)
暂无评论

Copyright © 2012-2014 恰考网 Inc. 保留所有权利。 Powered by tikuer.com

页面耗时0.0557秒, 内存占用1.04 MB, Cache:redis,访问数据库19次